聚焦高端时钟,助力中国科技崛起
登录
原子钟振T2D
钟振,为时钟振荡器的简称,一般应用为数字电路的时钟本振。传统的钟振一般基于压电晶体机械振动进行工作,频率精度和频率稳定度差,温度特性明显,在一些要求高的用途中,即便采用了OCXO(恒温晶振),仍然不能达到要求。在这种情况下,使用原子钟(原子频率标准)替代石英钟振是不得以的选择,但原子钟高昂的售价又使人望而却步。T2D基于原子跃迁而非机械振动控制输出频率,相对于高性能的OCXO,其频率误差和频率漂移减小为后者的十分之一,开机后频率稳定速度快10倍,相对于XO、TCXO等石英钟振,其性能提升3个数量级以上。与原子钟产品相比具有优势的是,T2D的设计专注于频率精度(守时精度的关键因素)并降低成本,不再关注与其弱相关的指标,使其可达到与OCXO相近的售价,应用成本远低于原子钟。
主要指标

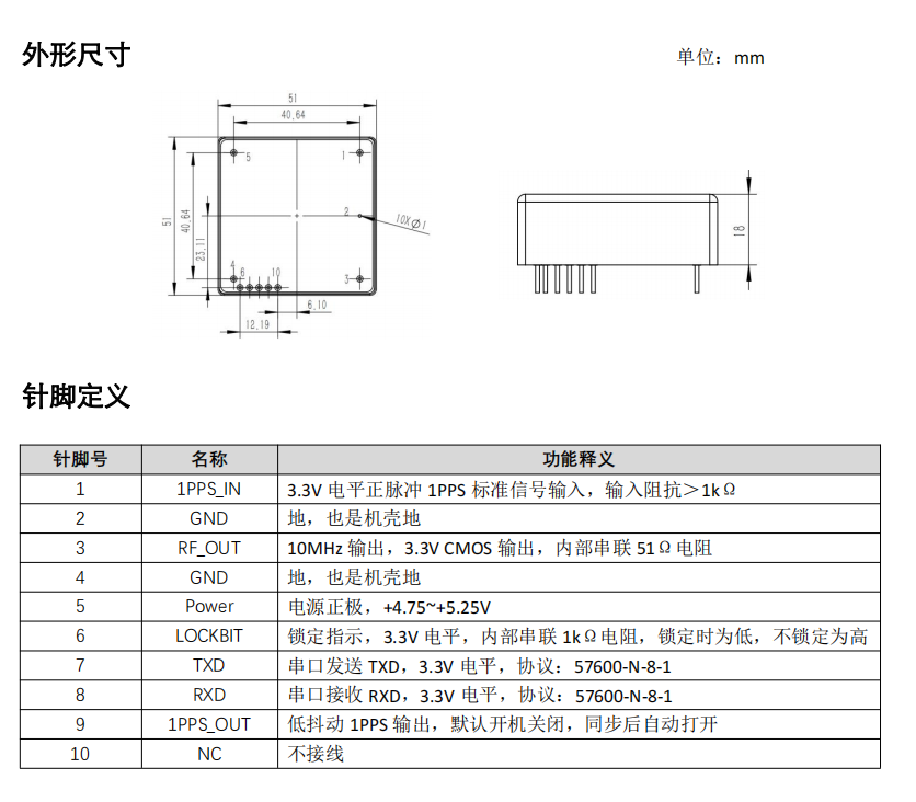
image.pngimage.png

特征
应用
资源
相关产品
庄闲和游戏
网站地图